Просмотры:1 Автор:Pедактор сайта Время публикации: 2023-05-23 Происхождение:Работает
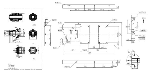
Пластина с водяным охлаждением также называется радиатором с водяным охлаждением.Он обычно используется на некоторых мощных устройствах для воспроизведения очень хорошего эффекта рассеивания тепла.Для некоторых повседневных контактов, таких как медицинское оборудование, электронное оборудование, промышленное оборудование, военная техника, лазер, будут использоваться пластины с водяным охлаждением.Знаете ли вы процессы, если хотите настроить плиту с водяным охлаждением, подходящую для вашей собственной продукции?
1. Заглубленная трубка для формовки водяного охлаждения + трубное соединение
2. Трубка водяного охлаждения для прессования профилей + сварка
3. Машина плюс формовка трубы с водяным охлаждением + сварка
4. Трубка водяного охлаждения литья под давлением + сварка
Клиенты предоставляют чертежи и требования к подробным данным, таким как характеристики нагревательного сердечника продукта, мощность рассеивания тепла и рабочая среда, чтобы полностью понять нашу группу исследований и разработок.

Также необходимы соответствующие технические описания.Команда R & D может предоставить наиболее экономически эффективное решение в соответствии с потребностями клиентов.
Команда R & D разработала план рассеивания тепла, то есть конструкцию платы водяного охлаждения, и определила детали плана с заказчиком.Инженеры проектируют моделирование конструкции изделия (в основном соединения пластин с водяным охлаждением), подтверждение теплового моделирования, материалов изделия, обработки поверхности и производственных процессов.Обеспечить установку, техническое обслуживание, универсальность и требования к защите окружающей среды продукта, а также сформулировать соответствующие стандарты и спецификации проверки.
Параметры конструкции охлаждения определяют материал и сопротивление потоку охлаждающей пластины, объем и плотность жидкости.Необходимо обобщить проект и результаты моделирования рассеивания тепла, включая скорость сечения, температуру, траекторию потока, изменения давления и изменения температуры оболочки.Решение для отвода тепла с водяным охлаждением также предлагает варианты соединений и трубопроводов.

Изготовление образцов после того, как дизайн холодной пластины будет принят.Он показывает, что общий план входит в тестовую сессию.Процесс тестирования тесно связан с клиентами, а корректировки и модификации вносятся в соответствии с реальной ситуацией, пока они не будут соответствовать требованиям заказчика.
После того, как тест пройден, он упаковывается и отправляется в соответствии с требованиями заказчика к упаковке.Создадим базу данных клиентов, мы своевременно справимся с различными чрезвычайными ситуациями и избавим клиентов от беспокойства.
Вам понятен процесс изготовленная на заказ пластина с водяным охлаждением?Если у вас есть другие вопросы о охлаждающей плите или вам нужно охлаждающее решение для охлаждающей плиты, не стесняйтесь оставлять комментарии или отправлять электронное письмо, чтобы связаться с нами. Winshare.